Sales Call
86-510-88990314| DN80 universal piston electrohydraulic valve | ||||||||||||||||||||||||||||||||||||||||||||||||||||||||||||||||||||||||||||||||||||||||||||||||||||||||||||||||||||||||||||||||||||||||||||||||||||||||||||||||
|
FBDF series electrohydraulic valves can realize high-precision, quantitative and multi-stage opening and closing through computer remote control and precise calculation. FBDF - (XX) HS universal piston electrohydraulic valve (XX) is the nominal pressure This kind of electrohydraulic valve is applicable to the medium such as product oil, water, gas and chemicals, and has the widest application range. It is characterized by flexible opening and closing, simple operation, multistage speed control, small repeatability error, reliable sealing, etc.
Main parameter:
Working temperature: - 30 ℃~ 80 ℃
Valve body and bonnet: cast steel or stainless steel
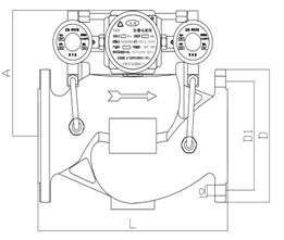
Main outline and connection dimensions:
Note: The flange connection size can be customized according to GB/T9115-2010, HG/T20592-2009 and HG/T20615-2009 (CLASS series).
|
||||||||||||||||||||||||||||||||||||||||||||||||||||||||||||||||||||||||||||||||||||||||||||||||||||||||||||||||||||||||||||||||||||||||||||||||||||||||||||||||
Widely used in petroleum, chemical,pharmaceutical, food, brewing and other industries
·
•
••